
Electromobility

All the oil reserves will be depleted one day. In 1980s, we were taught in schools that it would happen sometime around 2025. We acknowledge that the new oil deposits are being discovered, so we assume that there will not be such a drastic and early end. But it is true that it will happen one day. The only question is to whom do we pass the resolution of this matter? Whether to our sons, grandchildren or whether will we undergo such a transformation still in our lifetime?
At the beginning of the 20th century the ratio of the energy investment and further profit was over 1:100 - it was extracted in easily accessible places on dry land. Nowadays we standardly extract with a ratio of 1:10... And if we intend to extract oil in Antarctica you can guess how efficient the extraction could be.
Many people are strongly opposed to the concept of electromobility and believe in another solution, namely hydrogen technology. Despite not having sufficient amount of information, it seems better to them because the idea is not forcibly submitted. See the section "storing energy in hydrogen" where we tangibly touched the idea of hydrogen technology handling. Yes it is a way, nevertheless the whole issue is far more complicated and expensive. Nobody mentions the fact that the pressure in the tanks of hydrogen cars is an extreme 600bar (for you to get an idea: you have 3bar in a car tyre, 30bar in the cooling system and what a pressure it is! If you drill through a pipe it will blow you away even with a drilling-machine, and if you have a heat pump filled with natural gas you have a working pressure of 300bar. And when a pipe bursts, nobody ventures to repair it in the EU and it is sent to the manufacturer in Japan). So hydrogen economy has a potential, but compared to the simplicity and mastered technology of electric cars it is significantly more complex.
Regardless the acquisition costs, if you buy an electromobile for around 1mil CZK, every 1 km allows you to save 2CZK/km when charging at home. Thus, an expensive investment will gradually pay off. If you purchase a hydrogen powered car (Toyota, Hyundai), 1kg of hydrogen is €12, so 1km of hydrogen car is the same as a petrol fueled one. So hydrogen powered cars are not irreversible yet and can be refuelled only at 2 places in the Czech Republic - in Řež and Barrandov.
In view of the economical use of e-vehicles, there is a need to recharge at home, in companies. The use of DC chargers or DC fast chargers is reasonable, for longer routes or for occasional bridging of long journeys. The cost of DC charging is high but reasonable for longer journeys.
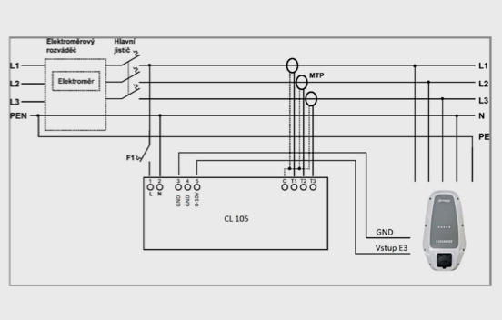
It was only after our own purchase of e-vehicle Kia EV6 when we started to deal with real and particular issues related to electromobility. For example, clarification of terminology - most EVs carry a so-called charger on board. It means that an e-vehicle needs 380V or 230V to recharge. But to connect to the grid they need a so-called wallbox or smart socket that interacts with the car and allows 230/380V into it. Anyway, the Wallbox is NOT a charger, the car carries the battery charger on board itself. A DC charger is really a device where AC 230/380V is transformed into DC voltage to recharge batteries. Since it involves power outputs above 50kW it is not a small device and is therefore significantly more expensive.
We offer an adaptation of Wallboxes designed for charging electric vehicles into the existing electro installation of family houses, hotels, companies. Since the power of one Wallbox starts at 11kW and a standard 3-f 25A circuit breaker on a family house can maintain 17kW is a condition close to the equipment and the shutdown of the main circuit breaker as having turned on several high demanding devices at the same time.
That means adapting Wallboxes to the wiring means adding smart measurement by current transformers at the base of the house and controlling the size of the EV charging, according to the current consumption of the house. In the case of having switch-on electric boiler , an electric oven or kettle and thus reaching the supply limit, the EV charge will be automatically reduced.
Each increase in the main circuit breaker will cost you a considerable means in fixed circuit breaker rates that is unnecessary, as the EV has plenty of time to be recharged overnight - during the house's minimum consumption.


The same scenario occurs when there are more Wallboxes, e.g. companies, hotels, where communication between Wallboxes allows to temporarily reduce their charging power.
In case of a higher demand and a requirement we cooperate with a company Chytré nabíjení

While supplying the PV system with Victron technology we also offer the alignment of the 22kW Wallbox with the PV power plant or even the transfer of energy from the battery of the electric vehicle to the batteries of the PV system.

Design procedure:
- 1. Determining number and power level of the charging points
- 2. Trace the existing electric wiring of the building
- 3. Size determination of the main circuit breaker
- 4. What is the profile and period of time of the existing house consumption
- 5. Design of the Wallbox and its control and dimensioning of the feeder cables
- 6. Signing of the Project Contract
- 7. Installation, setup, programming
- 8. Revision
- 9. Handover of instructions
About company ENESO
Company ENESO was founded in 2009 and since its origin has been engaged in design-implementation-service of photothermal and photovoltaic solar systems, electronic security systems, GSM cameras and heating. Solar panels are used for year-round water heating in homes and are designed to make the most of the impact of the solar rays throughout the year, while at the same time returning the initial investment as quickly as possible.
More about company ENESO16
years on
the market
400+
completed
projects
300+
satisfied
customers
Eneso s.r.o.
Headquarters: Žitavská 56/50, 460 01 Liberec (map)
Prague office: Podnikatelská 565, 190 11 Praha 9 - Běchovice (Areál BĚCHOVICE KKIG budova 10A) (mapa)
Brno office: Božetěchova 133,
612 00 Brno - Královo Pole (map)
Owner & executive director: Ing. Alois Láska, Ph.D.
Phone: +420 605 502 676
Email: alois.laska@eneso.cz
IN: 22772804 │ TIN: CZ22772804
File mark:
C 30960 registered at the Regional Court in Ústí nad Labem
Want to ask? Write to us...